91. What is the Q-point for a fixed-bias transistor with IB = 75 µA; βDC = 100, VCC = 20 V, RC = 1.5 kΩ
92. Inside a 741 op-amp the last functional block is a
93. For a three-input inverting summing amplifier, $${{\text{V}}_{{\text{out}}}} = - \frac{{\left( {{{\text{V}}_1} + {{\text{V}}_2} + {{\text{V}}_3}} \right)}}{3},$$ what is the relation between Rf and R?
94. In the circuit shown in the given figure, V0 is given by

95. Consider the following statements:
To draw a.c. equivalent circuit of a transistor, all
1. d.c. sources are shorted
2. a.c. sources are shorted
3. d.c. sources are opened
4. a.c. sources are connected to d.c. sources
Which of the above statements is/are correct?
To draw a.c. equivalent circuit of a transistor, all
1. d.c. sources are shorted
2. a.c. sources are shorted
3. d.c. sources are opened
4. a.c. sources are connected to d.c. sources
Which of the above statements is/are correct?
96. In ideal op-amp the current through the virtual ground is
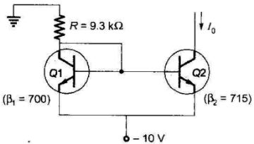
97. In the silicon BJT circuit shown below, assume that the emitter area of transistor Q1 is half that of transistor Q2.
The value of current I0 is approximately
The value of current I0 is approximately

98. A circuit whose output is proportional to the difference between the input signals is considered to be which type of amplifier?
99. If the base current of a BJT is 250 µA and emitter is 15 mA, then the common base current gain will be
100. If the circuit shown has to function as a clamping circuit, then which one of the following conditions should be satisfied for the sinusoidal signal of period T?

Read More Section(Analog Electronics)
Each Section contains maximum 100 MCQs question on Analog Electronics. To get more questions visit other sections.
