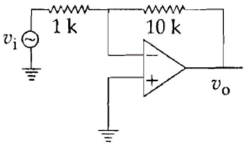
91. Input resistance of inverting amplifier as shown in figure with ideal op-amp is:

92. In an op-amp, if the feedback voltage is reduced by connecting a voltage divider at the output, which of the following will happen?
1. Input impedance increases
2. Output impedance reduces
3. Overall gain increases
1. Input impedance increases
2. Output impedance reduces
3. Overall gain increases
93. The reason for using a precision OPAMP based rectifier diode for detecting weak AM signals is that
94. Negative feedback amplifier is a . . . . . . . .
95. In the amplifier circuit shown in the figure, the values of R1 and R2 are such that the transistor is operating at VCE = 3 V and IC = 1.5 mA when its β is 150. For a transistor with β of 200, the operating point (VCE, IC) is

96. In the break region of clipping circuit, a diode behaves as
97. One of effect of negative feedback in amplifier is to
98. Output characteristics of a BJT amplifier is given. Find the minimum collector current required for r0 = 50 kΩ. (r0 is output resistance)

99. An N-Channel JFET has IDSS = 8 mA and Vp = -5 V. The minimum value of VDS for pinch-off region and the drain current IDS for a VGS = -2V are.
100. From measurement of the rise time of the output pulse of an amplifier whose input is a small amplitude square wave, one can estimate the following parameter of the amplifier.
Read More Section(Analog Electronics)
Each Section contains maximum 100 MCQs question on Analog Electronics. To get more questions visit other sections.
