11. Which one of the following statements regarding slew rate is correct?
12. The transistor as shown in the circuit is operating in:

13. By the use of which of the following the PPM can be converted to PWM?
14. If a common emitter amplifier with an emitter resistance Re has an overall trans-conductance gain of -1 mA/V, a voltage gain of -4 and desensitivity of 50, then the value of the emitter resistance Re would be:
15. For the transistor amplifier in the given figure, the voltage amplification is approximately.

16. In the circuit shown below, if RC = 10 kΩ, RL = 10 kΩ, β = 100, input signal voltage is 1 mV r.m.s. The output voltage is:

17. RC oscillator is basically a-
18. In an amplifier the increase in gain is 12 dB if the frequency is doubled. What will be the gain if frequency is increased 10 times?
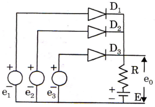
19. In the circuit shown in the figure, if e1 = 2 V, e2 = 5 V, e3 = 1 V and E = 2 V, then which one of the diodes will be conducting and what will be the e0?

20. If an amplifier with gain of -1000 and feedback factor of β = -0.1 had a gain change of 20% due to temperature, the change in gain of the feedback amplifier would be
Read More Section(Analog Electronics)
Each Section contains maximum 100 MCQs question on Analog Electronics. To get more questions visit other sections.
