21. A high gain MESFET packaged device of case-to-channel thermal resistance of the device is 4.5°C/Watt provides 8W RF output power taking 20W DC power. What will be the channel temperature of the device if the case temperature of the device maintained at 55°C?
22. What is the percentage reduction in gain of an amplifier due to introduction of 20 dB of negative feedback?
23. The rise time of low pass RC Circuit is given by
24. Transistor in power amplifier is . . . . . . . .
25. Which one of the following conditions would give Vo = 0 in the circuit shown in the figure?

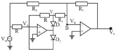
26. For which of the following conditions, the circuit shown below will function as precision full wave rectifier?

27. Which one of the following circuits is most suitable as an oscillator at a frequency of 100 Hz.
28. An amplifier has two identical cascaded stages. Each stage has a bandwidth of 20 kHz. The overall bandwidth shall approximately be equal to
29. If an op-amp comparator has a gain of 100, 000, an input difference of 0.2 mV above reference, and a supply of ±12 V. The output will be:
30. An amplifier has a signal input voltage Vi of 0.25 V and draws 1 mA from the source. If the amplifier delivers 8 V to a load of 10 mA, the power gain is
Read More Section(Analog Electronics)
Each Section contains maximum 100 MCQs question on Analog Electronics. To get more questions visit other sections.