21. Quartz crystal is mostly used in crystal oscillator because
22. A microphone is connected between the base and the ground of a BJT. A 1 kΩ resistance is connected between the collector VCC. If Is = 6 × 10-16 A and the peak value of the microphone signal is 20 mV, what is the peak value of the output signal?
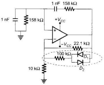
23. Consider the oscillator circuit shown in the figure. The function of the network (shown in dotted lines) consisting of the 100 kΩ resistor in series with the two diodes connected back-to-back is to:

24. Reverse saturation current in the collector region of a transistor
25. Which of the following can be magnified by magnetic amplifiers
26. An ideal value of input resistance of trans resistance amplifier is.
27. The efficiency of a Class - B amplifier for a supply of VCC = 24 V and peak output voltages VL(P) = 22 V is
28. A multistage amplifier employs five stages each of which has a power gain of 30? The total gain of the amplifier in dB is . . . . . . .
(log10 30 = 1.477)
(log10 30 = 1.477)
29. Which of the following indicates 2nd harmonic distortion in power amplifier?
30. Consider the following statements:
Monolithic regulators can be used to
1. Realize a constant voltage regulator.
2. Realize a constant current regulator.
3. Introduce flexibility in setting output voltage level.
Of these statements
Monolithic regulators can be used to
1. Realize a constant voltage regulator.
2. Realize a constant current regulator.
3. Introduce flexibility in setting output voltage level.
Of these statements
Read More Section(Analog Electronics)
Each Section contains maximum 100 MCQs question on Analog Electronics. To get more questions visit other sections.
