51. A transistor is said to be useful to be configured as an amplifier when its β is
52. In BJT, DC load line joins
53. In the circuit of the relaxation oscillator shown in the given figure, what will be the change in the voltage waveform across capacitor, if the voltage V is doubled?

54. An N-channel JFET, having a pinch-off voltage (Vp) of -5V, shows a trans conductance (gm) of 1 mA/V when the applied gate-to-source voltage (VGS) is -3V. Its maximum trans conductance (in mA/V) is
55. The circuit using a BJT with β = 50 and VBE = 0.7 V is shown in the figure. The base current IB and collector voltage VC are respectively

56. The use of rectifier filter in a capacitor circuit gives satisfactory performance only when the load
57. In op-amp based inverting amplifier with a gain of 100 and feedback resistance of 47 kΩ, the op-amp input offset voltage is 6 mV and input bias current is 500 nA. the output offset voltage due to an input offset voltage and an input bias current, are
58. The Ebers Moll model is applicable to
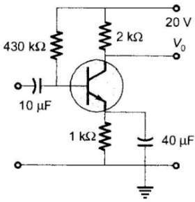
59. An amplifier circuit is shown in the given figure:
The voltage gain $$\left( {\frac{{{{\text{V}}_0}}}{{{{\text{V}}_{\text{s}}}}}} \right)$$ is:
The voltage gain $$\left( {\frac{{{{\text{V}}_0}}}{{{{\text{V}}_{\text{s}}}}}} \right)$$ is:

60. A peak detector comprises a capacitor and an ideal diode and an ac source in series.
The following is true of the circuit
The following is true of the circuit
Read More Section(Analog Electronics)
Each Section contains maximum 100 MCQs question on Analog Electronics. To get more questions visit other sections.
