81. The 'h' parameter equivalent circuit of a junction transistor is valid for
82. For feedback amplifier with gain $$\frac{{\text{A}}}{{1 - {\text{T}}}}$$ feedback reduces the internally generated noise by a factor
83. A BJT has Ce = 1 pF. If gm is 50 mA/V, calculate the fT of a common-emitter amplifier.
84. The current of a certain Si-diode, when measured with a large reverse bias is found to be 10nA. What would be the current be if a forward bias of 2 V is applied? Assume that T = 300° K, η = 2.
85. What is the output voltage across the 900 ohm load in the circuit given below?

86. The effect of dc saturation in a rectifier transformer is
87. The figure shown is a circuit of which one of the following?

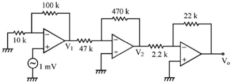
88. Find output voltage Vo in the circuit below:

89. In the circuit shown, it is required that V0 = Vi the values of $$l$$, m, n are respectively. (x represents don't care condition)

90. In the circuit shown below, for the MOS transistors, µn Cox = 100 µA/V2 and the
threshold voltage VT = 1 V. The voltage Vx at the source of the upper transistor is

Read More Section(Analog Electronics)
Each Section contains maximum 100 MCQs question on Analog Electronics. To get more questions visit other sections.