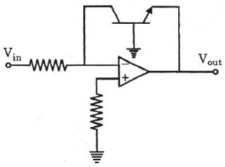
81. The op-amp circuit shown in the given figure be used for

82. Transistors ratings symbols using capital letter and with subscripts also in capital letters denotes
83. Crest factor for an alternating current source is the ratio of
84. Each Transistor in Darlington pair (as shown in Fig.) has hfe = 100. Overall hfe of composite transistor neglecting leakage current is,

85. An amplifier's power level is changed from 8, watts to 16 watts, equivalent dB gain is
86. In common emitter BJT amplifier, the maximum usable supply voltage is limited by
87. Which of the following circuits converts any arbitrary waveform into square waveform?
88. In a hybrid π model, which terminal is NOT accessible?
89. Calculate the value of IE for a transistor that has αdc = 0.98 and IB = 100 µA.
90. For an amplifier, which parameter is calculated with VS = 0?
Read More Section(Analog Electronics)
Each Section contains maximum 100 MCQs question on Analog Electronics. To get more questions visit other sections.
