21. From the figure shown below, the Transfer function of the signal flow graph is:

22. In a closed loop system for which the output is the speed of a motor, the output rate control can be used to:
23. The following quantities give a measure of the transient characteristics of a control system, when subjected to unit step excitation:
1. Maximum overshoot
2. Maximum undershoot
3. Overall gain
4. Delay time
5. Rise time
6. Fall time
1. Maximum overshoot
2. Maximum undershoot
3. Overall gain
4. Delay time
5. Rise time
6. Fall time
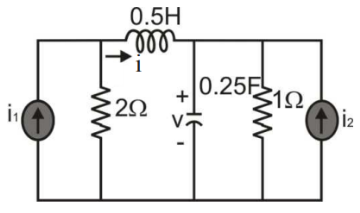
24. For the given circuit, which one of the following is the correct state equation?

25. What is the value of K for a unity feedback system with $$G\left( s \right) = \frac{K}{{s\left( {1 + s} \right)}}$$ to have a peak overshoot of 50%?
26. Which of the following components can be used as a rotating amplifier in a control system?
1. An amplidyne
2. A separately excited dc generator
3. A self-excited dc generator
4. A synchro
Select the correct answer using the options given below:
1. An amplidyne
2. A separately excited dc generator
3. A self-excited dc generator
4. A synchro
Select the correct answer using the options given below:
27. For the following feedback system $$G\left( s \right) = \frac{1}{{\left( {s + 1} \right)\left( {s + 2} \right)}}.$$ The 2% settling time of the step response is required to be less than 2 seconds.
Which one of the following compensators C(s) achieves this?
Which one of the following compensators C(s) achieves this?

28. The main purpose of feedback in a control system is
29. In control systems, we have
1. Nyquist Criterion
2. Bode plot
3. Root locus plot
4. RH-Criterion
Which of the above are in time domain?
1. Nyquist Criterion
2. Bode plot
3. Root locus plot
4. RH-Criterion
Which of the above are in time domain?
30. In a feedback control system, phase margin (PM) is:
1. Directly proportional to ξ
2. Inversely proportional to ξ
3. Independent of ξ
4. Zero when ξ = 0
Which of the above statements are correct?
1. Directly proportional to ξ
2. Inversely proportional to ξ
3. Independent of ξ
4. Zero when ξ = 0
Which of the above statements are correct?
Read More Section(Control Systems)
Each Section contains maximum 100 MCQs question on Control Systems. To get more questions visit other sections.
