31. The below figure shows the root locus of a unity feedback system. The open loop transfer function of the system is:

32. In case of synchro error detector, the electrical zero position of control transformer is obtained when angular displacement between rotors is:
33. Separation property of state-transition matrix is:
34. Given \[A = \left[ {\begin{array}{*{20}{c}}
1&0\\
0&1
\end{array}} \right]\] the state transition matrix eAt is given by
35. A first order instrument is characterised by
36. Two identical first order systems have been cascaded non-interactively. The unit step response of the system will be
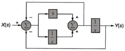
37. The block diagram of a system is illustrated in the figure shown, where X(s) is the input Y(s) is the output. The transfer function $$H\left( s \right) = \frac{{Y\left( s \right)}}{{X\left( s \right)}}$$ is

38. What is the unit step response of a unity feedback control system having forward path transfer function $$G\left( s \right) = \frac{{80}}{{s\left( {s + 18} \right)}}?$$
39. Consider the following statements regarding time response specifications:
1. Delay time is the time required for the response to reach 10% to 90% or 5% to 95% or 0% to 100% of its final value.
2. Peak time is the time required for the response to reach the first peak overshoot.
3. Settling time is the time required for the response to reach and maintain beyond a specified tolerance band, i.e., either 3% or 5% of the initial value.
Which of the above statements are not correct?
1. Delay time is the time required for the response to reach 10% to 90% or 5% to 95% or 0% to 100% of its final value.
2. Peak time is the time required for the response to reach the first peak overshoot.
3. Settling time is the time required for the response to reach and maintain beyond a specified tolerance band, i.e., either 3% or 5% of the initial value.
Which of the above statements are not correct?
40. A unit step input is applied to the negative feedback system whose closed loop transfer function is $$\frac{{63}}{{{s^2} + 4.8s + 9}},$$ then the steady state value of the output is
Read More Section(Control Systems)
Each Section contains maximum 100 MCQs question on Control Systems. To get more questions visit other sections.
