41. Loading effect is primarily caused by instruments having:
42. A dual trace oscilloscope usually offers two modes, chop and alternate.
The alternate mode can be used for displaying.
The alternate mode can be used for displaying.
43. In a flux meter, the controlling torque is
44. The simplest and most common method of reducing any effect of inductive coupling between measurement and power circuits is achieved by using
45. The Q factor of an inductor would be higher it is made of
46. A seismic transducer working in the displacement mode should be designed to have
47. The power of a three phase, three wire balanced system was measured by two Wattmeter method. The reading of one Wattmeter was found to be doubled that of other. What is the power factor of the system?
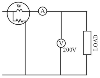
48. Consider the following data for the circuit shown above:
Ammeter : Resistance 0.2 Ω; Reading 5.0 A
Voltmeter: Resistance 2 kΩ ; Reading 200 V
Wattmeter : Current coil resistance 0.2 Ω
Pressure coil resistance 2 KΩ
Load : Power factor = 1
The reading of the Wattmeter is:
Ammeter : Resistance 0.2 Ω; Reading 5.0 A
Voltmeter: Resistance 2 kΩ ; Reading 200 V
Wattmeter : Current coil resistance 0.2 Ω
Pressure coil resistance 2 KΩ
Load : Power factor = 1
The reading of the Wattmeter is:

49. A 100 Ω resistive potentiometer is used with an input supply voltage of 10 V. If the thermal resistance 30°C/W and the ambient temperature is 40°C, the temperature of the POT is
50. The measured value of a capacitor is 100 µF. The true value of the capacitor is 110 µF. The percentage relative error is
Read More Section(Measurement and Instrumentation)
Each Section contains maximum 100 MCQs question on Measurement and Instrumentation. To get more questions visit other sections.
