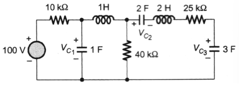
91. The voltage VC1, VC2 and VC3 across the capacitor in the circuit in Figure, under steady state, are respectively.
						
					
92. If the length of a wire of resistance R is uniformly stretched to n times its original value, its new resistance is
						
					93. The equivalent inductance measured between the terminals 1 and 2 for the circuit shown in the figure is
						
					
94. In the circuit shown, the switch SW is thrown from position A to position B at time t = 0. The energy taken from the 3 V source to charge the 0.1 µF capacitor form 0 V to 3 V is
						
					
95. A transient current in a network is  i(t) = 2e-t - e-5t, t ≥ 0, the pole-zero configuration of I(s) is
						
					96. In the transformer shown in the figure below, the inductance measured across the terminal 1 and 2 was 4 H with open terminals 3 and 4. It was 3 H when the terminal 3 and 4 were short circuited. The coefficient of coupling would be
						
					
97. The value of R (in ohms) required for maximum power transfer in the network shown in the figure is
						
					
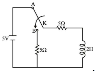
98. In the following circuit, switch K is thrown from position A to position B at time t = 0, the currenthaving previously reached its steady state:
The current i(t) after switching will be
						
					The current i(t) after switching will be

99. In the interconnection of ideal sources shown in the figure, it is known that the 60 V source is absorbing power.
Which of the following can be value of the current source I?
						
					Which of the following can be value of the current source I?

100. The equivalent inductance across 'ab' for the diagram shown below is:
						
					
Read More Section(Network Theory and Analysis)
Each Section contains maximum 100 MCQs question on Network Theory and Analysis. To get more questions visit other sections.
