11. The current in the series R-L circuit at a time t = 0+ is?
						
					12. A step voltage is applied to the circuit shown below. What is the transient current response of the circuit?
						
					
13. For the equivalent figure circuit shown in the given figure, the values of RAB and RBC are respectively
						
					
14. A parallel RLC circuit has ω0 = 108 and Q = 20. Given C = 20 pF, the value of R is
						
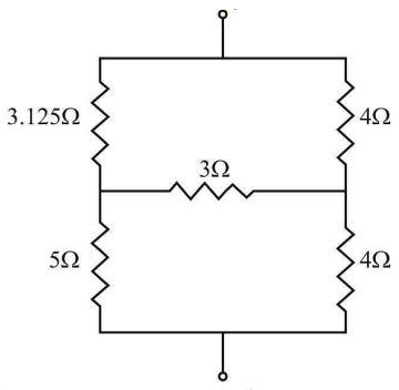
					15. The Req for the following network is . . . . . . . .
						
					
16. Superposition theorem is not applicable to a network having which type of element?
						
					17. A graph is said to be connected graph if-
						
					18. A transfer function having open zero at right half plane is a/an
						
					19. The power in a series RLC circuit will be half of that at resonance when the magnitude of the current is equal to
						
					20. In the passband of a symmetric lattice filter, the nature of XA and XB where XA and XB represent the reactance of the series arm and the diagonal arm of the lattice is of
						
					Read More Section(Network Theory and Analysis)
Each Section contains maximum 100 MCQs question on Network Theory and Analysis. To get more questions visit other sections.
