31. Match List-I with List-II and select the correct answer using the options given below:
  
    List-I 
    List-II 
    
    a. Superposition theorem 
    1. Impedance matching in audio circuits 
   
    b. Thevenin's theorem 
    2. Linear bilateral networks 
 
    c. Kirchhoff's voltage and current laws 
    3. Large network in which currents in few elements to be determined 
 
    d. Maximum power transfer theorem 
    4. Currents and voltages in all branches of a network 
   
						
					| List-I | List-II | 
| a. Superposition theorem | 1. Impedance matching in audio circuits | 
| b. Thevenin's theorem | 2. Linear bilateral networks | 
| c. Kirchhoff's voltage and current laws | 3. Large network in which currents in few elements to be determined | 
| d. Maximum power transfer theorem | 4. Currents and voltages in all branches of a network | 
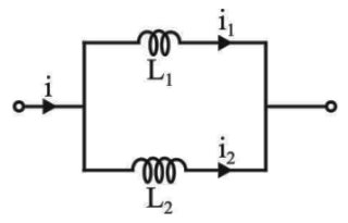
32. The current ratio $$\left( {\frac{{{{\text{i}}_2}}}{{\text{i}}}} \right)$$  for the circuit shown in figure is:
						
					
33. What is the applied voltage for a series RLC circuit when IT = 3 mA, VL = 30 V, VC = 18 V and R = 1000 ohms?
						
					34. The coils on the iron core have coefficient of coupling . . . . . . . .
						
					35. Two coils with self inductances 1 H & 3 H have a mutual inductance of 1 H. The coupling factor is
						
					36. Two 2 H inductance coil are connected in series and are also magnetically coupled to each other with coefficient of coupling being 0.1. The total inductance of the combination can be
						
					37. A 120 V ac circuit contains 10 Ω resistance and 30 Ω reactance in series. The average power in the circuit will be nearly:
						
					38. One kWh is equal to . . . . . . . . kCal.
						
					39. In the following figure, C1 and C2 are ideal capacitors. C1 has been charged to 12 V before the ideal switch S is closed at t = 0. The current i(t) for all t is
						
					
40. Ohm's law is applicable to
						
					Read More Section(Network Theory and Analysis)
Each Section contains maximum 100 MCQs question on Network Theory and Analysis. To get more questions visit other sections.
