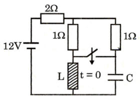
31. In the circuit shown below, the switch is closed at t = 0. What is the initial value of the current through the capacitor?
						
					
32. The voltage induced in a coil by a changing flux will be of such a polarity that if a current could flow as a result of that induced voltage, the flux established by that current would oppose the causing or original flux change. It is known as
						
					33. According to maximum power transfer theorem, maximum power transfer occurs when
						
					34. A two-terminal network consists of a coil having inductance L and resistance R shunted by a capacitance C. The poles and zeros of the driving-point impedance function Z(ω) are located as poles at $$ - \frac{1}{2} \pm {\text{j}}\frac{{\sqrt 3 }}{2}$$   and zero at -1. If Z(0) = 1, the values of R, L and C are
						
					35. If V = Vmsinωt is the voltage across the capacitor, then the current is:
						
					36. Consider the following statements:
1. Voltage across a capacitor cannot change abruptly.
2. Voltage across an inductor cannot change abruptly.
3. Current through a capacitor cannot change abruptly.
4. Current through an inductor cannot change abruptly
Which of these statements are correct?
						
					1. Voltage across a capacitor cannot change abruptly.
2. Voltage across an inductor cannot change abruptly.
3. Current through a capacitor cannot change abruptly.
4. Current through an inductor cannot change abruptly
Which of these statements are correct?
37. Which one of the following is the transfer function of an electrical low-pass filter using R and C elements?
						
					38. The steady-state response of a network to the excitation Vcos(ωt + φ) may be found in three steps. The first two steps are as follows:
1. Determining the response of the network to the excitation ejωt.
2. Multiplying the above response by $$\overline {\text{V}} $$ = Vejφ.
The third step is
						
					1. Determining the response of the network to the excitation ejωt.
2. Multiplying the above response by $$\overline {\text{V}} $$ = Vejφ.
The third step is
39. What is the phase angle between the capacitor current and the applied voltage in a parallel RC circuit?
						
					40. The resonance frequency for the given circuit is
						
					Read More Section(Network Theory and Analysis)
Each Section contains maximum 100 MCQs question on Network Theory and Analysis. To get more questions visit other sections.
