51. You are given that L1 = 2 H and L2 = 8 H are perfectly lossless inductors which are magnetically coupled. The coupling inductance M in Henrys will be:
						
					52. A network in which all the elements are physically separable is called a 
						
					53. Consider the circuit shown below
The power factor of the above circuit as seen by the source is
						
					The power factor of the above circuit as seen by the source is

54. What is the minimum number of elements required to realize a given driving point susceptance function? 
						
					55. In a circuit in which resistance, capacitance and inductance are in series, the impedance would be-
						
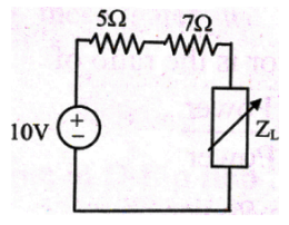
					56. For maximum power transfer to load, find the value of 'ZL'
						
					
57. The value of resistance R shown in the given figure is
						
					
58. For a network shown in figure, which of the following statement is true.
						
					
59. The effective inductance across 'AB' of the infinite ladder shown in the figure below is-
						
					
60. What will be the power consumed by the voltage source, current source and resistance respectively?
						
					
Read More Section(Network Theory and Analysis)
Each Section contains maximum 100 MCQs question on Network Theory and Analysis. To get more questions visit other sections.
