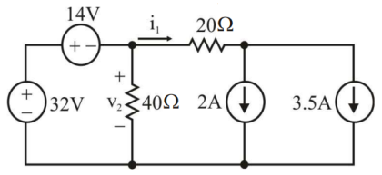
61. Determine the current i1 in the network.
						
					
62. A delta-connected network with its Wye-equivalent is shown in the figure. The resistances R1, R2 and R3 (in ohms) are respectively
						
					
63. For a pair of lossless magnetically coupled coils with respective self inductances L1, L2 (with L1 < L2) and mutual inductance M, the following is generally true.
						
					64. The input voltage V1 and current I1 for linear passive network is given by V1 = AV2 - BI2 and I1 = CV2 - DI2
Now consider the following network:
Which one of the following is the transfer matrix \[\left[ {\begin{array}{*{20}{c}}
  {\text{A}}&{\text{B}} \\ 
  {\text{C}}&{\text{D}} 
\end{array}} \right]\]  of the network shown above?
						
					Now consider the following network:
Which one of the following is the transfer matrix \[\left[ {\begin{array}{*{20}{c}} {\text{A}}&{\text{B}} \\ {\text{C}}&{\text{D}} \end{array}} \right]\] of the network shown above?

65. Consider the following properties of a particular network theorem:
1. The theorem is not concerned with type of elements.
2. The theorem is only based on the two Kirchhoff's laws.
3. The reference directions of the branch voltages and currents are arbitrary except that they have to satisfy Kirchhoff's laws.
Which one of the following theorems has the above characteristics?
						
					1. The theorem is not concerned with type of elements.
2. The theorem is only based on the two Kirchhoff's laws.
3. The reference directions of the branch voltages and currents are arbitrary except that they have to satisfy Kirchhoff's laws.
Which one of the following theorems has the above characteristics?
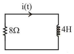
66. In the given circuit, the initial current i(0) = 20 Amp. Then the current in amperes at time t is:
 
						
					
67. Which of the following statements is false in case of a series circuit?
						
					68. In the circuit shown in the figure, i(t) is a unit step current. The steady-state value of v(t) is
						
					
69. All poles and zeros of a driving point immittance function of an L-C network
						
					70. For a series RLC circuit, the power factor at the lowest half power frequency is
						
					Read More Section(Network Theory and Analysis)
Each Section contains maximum 100 MCQs question on Network Theory and Analysis. To get more questions visit other sections.
