61. If TF given as $$\frac{{1 + 3s}}{{1 + 9s}},$$  C = 1F find R1, RL
						
					
62. A practical voltage source consists of
						
					63. What will be the bandwidth of a series resonant circuit provided it has an inductive reactance of 1000 Ohm, a capacitive reactance of 1000 Ohm and a resistance of 0.1 Ohm? It is also known that the resonant frequency is 100 MHz.
						
					64. A 10 ohm resistor a 1 H inductor and 1 µF capacitor are connected in parallel. The combination is driven by a unit step current. Under the steady state conditions, the source current flows through
						
					65. For the network shown, Thevenin's equivalent voltage source and resistance are, respectively:
						
					
66. Two incandescent lights of 40 W and 80 W are connected in series:
						
					67. How is the damping ratio 'ξ' and quality factor 'Q' of a series RLC circuit are related to each other-
						
					68. Consider the following statements regarding trees:
1. A tree contains all the nodes of the graph.
2. A tree shall contain any one of the loops.
3. Every connected graph has at least one tree.
Which of the above statements are correct?
						
					1. A tree contains all the nodes of the graph.
2. A tree shall contain any one of the loops.
3. Every connected graph has at least one tree.
Which of the above statements are correct?
69. The time constant of an R-C circuit is?
						
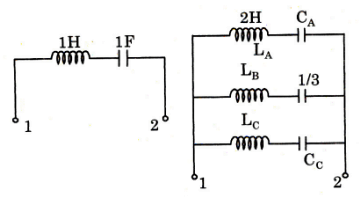
					70. The two networks given below are equivalent with respect to terminals 1 and 2 at all frequencies. Find CA, LB, LC, CC.
						
					
Read More Section(Network Theory and Analysis)
Each Section contains maximum 100 MCQs question on Network Theory and Analysis. To get more questions visit other sections.
