71. Which one of the following theorems can be conveniently used to calculate the power consumed by the 10 Ω resistor in the network shown in the figure below?
						
					
72. With 10 V DC connected at port A in the linear nonreciprocal two port network shown below, the following were observed
1. 1 Ω connected at port B draws a current of 3 A
2. 2.5 Ω connected at port B draws a current of 2 A
The current drawn by 7 Ω connected at port B
						
					1. 1 Ω connected at port B draws a current of 3 A
2. 2.5 Ω connected at port B draws a current of 2 A
The current drawn by 7 Ω connected at port B

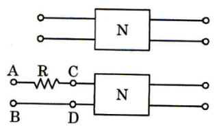
73. The open circuit parameters of 2-port network N shown in the figure, are \[\left[ {\begin{array}{*{20}{c}}
  {{{\text{Z}}_{11}}}&{{{\text{Z}}_{12}}} \\ 
  {{{\text{Z}}_{21}}}&{{{\text{Z}}_{22}}} 
\end{array}} \right].\]   When the network is extended by a resistance R as shown in the figure, the input impedance of the network at points A, B will be
						
					
74. The time constant of the network shown in the given figure is given by
						
					
75. For non-inverting adder, which theorem is applicable to determine the expression for output voltage?
						
					76. For a certain load, the true power is 100 W and the reactive power is 100 VAR. What is the apparent power?
						
					77. What power absorbed by R
						
					
78. For the circuit shown in figure
						
					
79. R and C are connected in parallel across a sinusoidal voltage source of 240 V. If the currents through the source and the capacitor are 5 A and 4 A respectively, what is the value of R?
						
					80. For the circuit shown in the below figure, what is the natural frequency? 
						
					
Read More Section(Network Theory and Analysis)
Each Section contains maximum 100 MCQs question on Network Theory and Analysis. To get more questions visit other sections.
