81. The effective capacitance across AB of the infinite ladder shown in the below figure is
						
					
82. The resistances in the higher range are mostly made of:
						
					83. In the series RC circuit shown in the given figure, the rms value of the voltage E is 1 V. If the average power dissipated is equal to 500 mW, then the phase angle between the voltage and current will be
						
					
84. The h-parameters of the circuit shown in the figure are
						
					
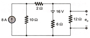
85. The voltage e0 in the figure is
						
					
86. Thevenin resistance can be found by taking the ratio (o.c = open circuit, s.c = short circuit, Vs = supply voltage, VL = load voltage)
						
					87. The permeability and permittivity of a medium are
						
					88. The driving point impedance of the network shown in figure is
						
					
89. Find equivalent capacitance of the following circuit.
						
					90. Which one of the following is an LC immittance function?
						
					Read More Section(Network Theory and Analysis)
Each Section contains maximum 100 MCQs question on Network Theory and Analysis. To get more questions visit other sections.
