81. A system with input x[n] and output y[n] is given as $$y\left( n \right) = \left( {\sin {5 \over 6}\pi n} \right)x\left( n \right).$$
The system is
The system is
82. The Fourier transform of a voltage signal x(t) is X(f). The unit of |X(f)| is
83. An excitation is applied to a system at t = land its response is zero for -∞ < t < T. Such a system is a
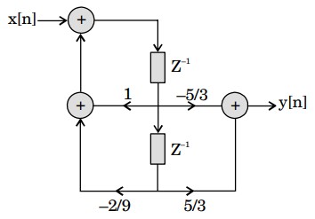
84. A realization of a stable discrete time system is shown in figure. If the system is excited by a unit step sequence input x[n], the response y[n] is

85. Match the following and choose the correct combination.
Group I
Group II
E. Continuous and aperiodic signal
1. Fourier representation is continuous and aperiodic.
F. Continuous and periodic signal
2. Fourier representation is discrete and aperiodic.
G. Discrete and aperiodic signal
3. Fourier representation is continuous and periodic.
H. Discrete and periodic signal
4. Fourier representation is discrete and periodic.
| Group I | Group II |
| E. Continuous and aperiodic signal | 1. Fourier representation is continuous and aperiodic. |
| F. Continuous and periodic signal | 2. Fourier representation is discrete and aperiodic. |
| G. Discrete and aperiodic signal | 3. Fourier representation is continuous and periodic. |
| H. Discrete and periodic signal | 4. Fourier representation is discrete and periodic. |
86. If L[f(t)] = F(s), then L[f(t - T)] is equal to
87. The impulse response h(t) of a linear time-invariant continuous time system is described by h(t) = exp(αt)u(t) + exp(βt)u(-t), where u(t) denotes the unit step function, and α and β are real constants. This system is stable if
88. Given that
$$L\left[ {f\left( t \right)} \right] = {{s + 2} \over {{s^2} + 1}},L\left[ {g\left( t \right)} \right] = {{{s^2} + 1} \over {\left( {s + 3} \right)\left( {s + 2} \right)}},$$ $$h\left( t \right) = \int\limits_0^t {f\left( \tau \right)} g\left( {t - \tau } \right)d\tau $$
L[h(t)] is
$$L\left[ {f\left( t \right)} \right] = {{s + 2} \over {{s^2} + 1}},L\left[ {g\left( t \right)} \right] = {{{s^2} + 1} \over {\left( {s + 3} \right)\left( {s + 2} \right)}},$$ $$h\left( t \right) = \int\limits_0^t {f\left( \tau \right)} g\left( {t - \tau } \right)d\tau $$
L[h(t)] is
89. An FIR system is described by the system function
$$H\left( z \right) = 1 + \frac{7}{2}{z^{ - 1}} + \frac{3}{z}{z^{ - 2}}$$
The system is
$$H\left( z \right) = 1 + \frac{7}{2}{z^{ - 1}} + \frac{3}{z}{z^{ - 2}}$$
The system is
90. For a signal x(t) the Fourier transform is X(f). Then the inverse Fourier transform of X(3f + 2) is given by
Read More Section(Signal Processing)
Each Section contains maximum 100 MCQs question on Signal Processing. To get more questions visit other sections.
