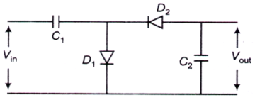
41. A sinusoidal input voltage Vin of frequency ω is fed to the circuit shown in the figure, where C1 ≫ C2. If Vm is the peak value of the input voltage, then output voltage (Vout) is
