11. There are 2 systems:
1. An automatic washing machine
2. An automatic intensity adjustable light bulb
Which of these systems will be more sensitive to the variation in system's gain?
1. An automatic washing machine
2. An automatic intensity adjustable light bulb
Which of these systems will be more sensitive to the variation in system's gain?
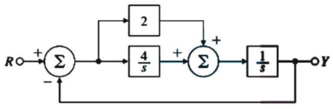
12. Find the overall transfer function for the following system

13. The transfer function of a phase lead network, as shown in the figure below is $$\frac{{K\left( {1 + 0.3s} \right)}}{{\left( {1 + 0.17s} \right)}}$$
The values of R1 and R2 are respectively
The values of R1 and R2 are respectively

14. A typical control system is shown in the figure. Assuming $$R\left( s \right) = \frac{1}{s}$$ the steady-state error is given by,
15. Find the points at which the root locus crosses the jω axis for the unity feedback system with feed forward transfer function.
$$G\left( s \right) = \frac{K}{{\left( {{s^2} + 2s + 2} \right)\left( {{s^2} + 2s + 5} \right)}}$$
$$G\left( s \right) = \frac{K}{{\left( {{s^2} + 2s + 2} \right)\left( {{s^2} + 2s + 5} \right)}}$$
16. The characteristic equation of a certain feedback control system is given by s4 + 4s3 + 13s2 + 36s + k = 0. The range of values of k for which the feedback system is stable, is given by:
17. The open loop transfer function $$G\left( s \right) = \frac{{k\left( {s + 10} \right)}}{{\left( {s + 2} \right)\left( {s + 5} \right)}},$$ the break point lies in the root locus in between . . . . . . . .
18. The common range of step size in stepper motor which are interfaced with micro processor based systems is
19. A unity feedback system has $$G\left( s \right) = \frac{{K\left( {s + 12} \right)}}{{\left( {s + 14} \right)\left( {s + 18} \right)}}.$$
What is the value of K to yield 10% error in steady state?
What is the value of K to yield 10% error in steady state?
20. The input to a controller is:
Read More Section(Control Systems)
Each Section contains maximum 100 MCQs question on Control Systems. To get more questions visit other sections.
