91. The number of tree branches for a network with the graph shown in figure.

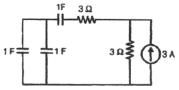
92. The time constant for given circuit will be

93. In an electrical circuit, fuse is blown and the circuit is cut-off due to-
94. Which one of the following statements is not correct?
95. In the circuit shown, what value of RL maximizes the power delivered to RL?

96. A terminal where three or more branches meet is known as
97. The input impedance of the circuit shown in the figure, if the respective coil impedance Z1 = (5 + j8) Ω and Z2 = (3 + j8) Ω is

98. Which of the following statement is correct:
99. The impedance of a series RLC circuit is
100. The ABCD parameters of the following 2-port network are

Read More Section(Network Theory and Analysis)
Each Section contains maximum 100 MCQs question on Network Theory and Analysis. To get more questions visit other sections.
