91. With the conventional notation \[\mathop {\rm{X}}\limits^ \cdot \] = AX + BU for the state description of a liner time-invariant network, examine the validity of the following statements relating to the matrix A:
1. A is symmetrical if the network is reciprocal.
2. The sum of the natural frequencies of the network is equal to the determinant of A.
Which of these statements is/are true?
1. A is symmetrical if the network is reciprocal.
2. The sum of the natural frequencies of the network is equal to the determinant of A.
Which of these statements is/are true?
92. For the system described by the state equation \[\mathop x\limits^ \cdot = \left[ {\begin{array}{*{20}{c}}
0&1&0\\
0&0&1\\
{0.5}&1&2
\end{array}} \right]x + \left[ \begin{array}{l}
0\\
0\\
1
\end{array} \right]u\]
If the control signal u is given by u = [-0.5 -3 -5]x + v, then the eigen values of the closed-loop system will be
If the control signal u is given by u = [-0.5 -3 -5]x + v, then the eigen values of the closed-loop system will be
93. Consider the following statements regarding feedback compensation of control system:
1. A faster response can be achieved by the use of parallel compensation.
2. The environmental conditions in which the feedback control system is to be utilized affect the stability of the controlled quantity.
3. The degree of accuracy and the stability of a control system can be improved by the use of a cascade compensator.
Which of the above statements are correct?
1. A faster response can be achieved by the use of parallel compensation.
2. The environmental conditions in which the feedback control system is to be utilized affect the stability of the controlled quantity.
3. The degree of accuracy and the stability of a control system can be improved by the use of a cascade compensator.
Which of the above statements are correct?
94. Which one of the following is the best controller, to use for an electrically heated temperature controlled liquid heater?
95. Match List-I with List-II and select the correct answer using the options given below:
List-I (Frequency Response)
List-II (Time Response)
a. Bandwidth
1. Overshoot
b. Phase margin
2. Stability
c. Response peak
3. Speed of time response
d. Gain margin
4. Damping ratio
| List-I (Frequency Response) | List-II (Time Response) |
| a. Bandwidth | 1. Overshoot |
| b. Phase margin | 2. Stability |
| c. Response peak | 3. Speed of time response |
| d. Gain margin | 4. Damping ratio |
96. For the unity feedback control system shown in the figure, the open-loop transfer function G(s) is given as $$G\left( s \right) = \frac{2}{{s\left( {s + 1} \right)}}$$
The steady state error ess due to a unit step input is
The steady state error ess due to a unit step input is

97. For $$0 < \xi < \frac{1}{2},\,{\omega _r}$$ is equal to:
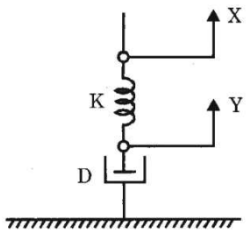
98. The mechanical system shown below has its pole(s) at

99. In mechanical translational system, mass is analogous to which rotational system component?
100. A synchro transmitter receiver unit is a
Read More Section(Control Systems)
Each Section contains maximum 100 MCQs question on Control Systems. To get more questions visit other sections.
