11. In the above circuit, R1 = R2 = R3 = 3 Ω, what would be the values of RA, RB, RC respectively

12. The flux in a magnetic core is sinusoidally varying at 200 Hz. The maximum flux density is 2 Tesla and eddy current loss is 15 W. If the frequency is raised to 400 Hz and maximum flux density reduced to 1 Tesla, the eddy current loss will
13. What determines the inductance of a coil?
14. Which of the following cannot be connected in series unless they are identical?
15. Relative to a given fixed tree of a network,
16. The nodal method of circuit analysis is based on
17. In a series RL circuit, R = 20 ohms, L = 0.1 H and frequency is 50 Hz. The impedance of the circuit would be doubled by making
18. For the series RLC circuit in figure, if ω = 1000 rad/sec, then the current I (in Ampere) is

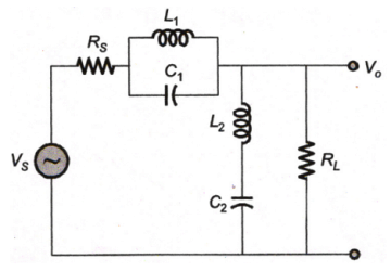
19. The circuit of the figure represents s

20. Find the current flowing through the resistor R3?

Read More Section(Network Theory and Analysis)
Each Section contains maximum 100 MCQs question on Network Theory and Analysis. To get more questions visit other sections.
