31. A 230 V rms source supplies power to two loads connected in parallel. The first load draws 10 kW at 0.8 leading power factor and the second one draws 10 kVA at 0.8 lagging power factor. The complex power delivered by the source is
32. The capacitance of each capacitor is C = 3 µF in the figure shown. The effective capacitance between points A and B is

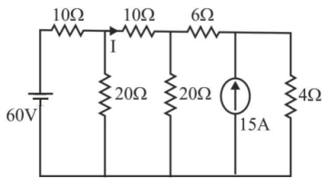
33. Consider the following circuit:
What is the current I in the above circuit?
What is the current I in the above circuit?

34. Match List-I with List-II for the co-tree branches 1, 2, 3 and 8 of the graph shown in the given figure and select the correct answer using the options given below:
List-I
List-II
a. Twigs
1. 4, 5, 6, 7
b. Links
2. 1, 2, 3, 8
c. Fundamental cut-set
3. 1, 2, 3, 4
d. Fundamental loop
4. 6, 7, 8
| List-I | List-II |
| a. Twigs | 1. 4, 5, 6, 7 |
| b. Links | 2. 1, 2, 3, 8 |
| c. Fundamental cut-set | 3. 1, 2, 3, 4 |
| d. Fundamental loop | 4. 6, 7, 8 |

35. A series R-L circuit {R = 4 Ω and L = 0.01 H} is excited by a voltage (in volt) v(t) = 283sin(300t + 90°). The current in the circuit will be
36. If a coil has diameter 'd', number of turns 'N' and form factor 'F' then the inductance of the coil is proportional to
37. Superposition theorem can be applicable only to circuits having . . . . . . . . elements.
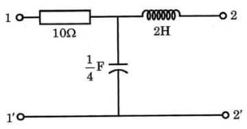
38. What is the open circuit impedance Z11(s) of the network shown in the figure given below?

39. In the circuit shown in the given figure, C1 = C2 = 2F and the capacitor C1 has a voltage of 20 V when S is open
If the switch S is closed at t = 0, the voltage VC2 will be a
If the switch S is closed at t = 0, the voltage VC2 will be a

40. Thevenin's and Norton equivalents cannot be developed in circuits containing
Read More Section(Network Theory and Analysis)
Each Section contains maximum 100 MCQs question on Network Theory and Analysis. To get more questions visit other sections.
