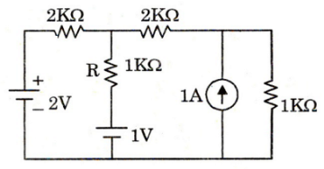
51. The current in resistor R shown in the figure will be

52. If two identical first order low-pass filters are cascaded non interactively, then the unit step response of the composite filter will be
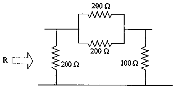
53. Find the equivalent resistance R for the network shown in the figure.

54. The driving point impedance of the following network
is given by $$Z\left( s \right) = \frac{{0.2s}}{{{s^2} + 0.1s + 2}}.$$ The component values are
is given by $$Z\left( s \right) = \frac{{0.2s}}{{{s^2} + 0.1s + 2}}.$$ The component values are

55. Two identical two-port networks having transmission matrix \[\left[ {\begin{array}{*{20}{c}}
{\text{A}}&{\text{B}} \\
{\text{C}}&{\text{D}}
\end{array}} \right]\] are cascaded. What will be the resultant transmission matrix of the cascade?
56. Reciprocity theorem is applicable to
57. A bulb rated at 50 W, 100 V is used for 40 minutes. The charge associated with this operation is
58. A particular current is made up of two components a 10 A dc and a sinusoidal current of peak value of 14.14 A. The average value of the resultant current is
59. The voltage applied to an R-L circuit at t = 0 when switch is closed at 100cos(100t + 30°). The circuit resistance is 80 Ω and inductance is 0.6 H (in which initial current is zero). What is the maximum amplitude of current flowing through the circuit?
60. The maximum number of trees of the graph in figure is

Read More Section(Network Theory and Analysis)
Each Section contains maximum 100 MCQs question on Network Theory and Analysis. To get more questions visit other sections.
