61. A two port network is described by the relation
V1 = 2I1 + 3V2
I2 = -I1 + 2V2
Then Z-parameter of such network is
V1 = 2I1 + 3V2
I2 = -I1 + 2V2
Then Z-parameter of such network is
62. Brune's method of network synthesis is particularly used in
63. The inductor is a two-terminal energy storage device whose voltage is proportional to the:
64. Two coupled coils with self inductances of 4 mH and 16 mH are connected in series. The maximum possible value of inductances can be
65. The equivalent inductance of two inductances with mutual coupling in between connected in parallel having the following configuration is given by

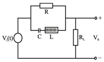
66. Consider the following circuit
For the above circuit, which one of the following statements is correct? The voltage V0 is independent of R, if the input signal frequency ω
For the above circuit, which one of the following statements is correct? The voltage V0 is independent of R, if the input signal frequency ω

67. A sinusoidal voltage v(t) = 100sin1000t is applied a pure capacitor of 100 µF. The power is given by
68. In the circuit shown, if v(t) = 2sin(1000t) volts. R = 1 kΩ and C = 1 µF. Then the steady-state current i(t), in mili amperes (mA), is

69. If ID = 10 mA at VD = 1 V at a point of operation, then maximum power dissipation is
70. Match List-I with List-II and select the correct answer using the options given below:
List-I
List-II
a. Internal impedance of an ideal current source is
1. Forced response of the circuit
b. For attenuated natural oscillations, the poles of the transfer function must lie on the
2. Natural response of the circuit
c. A battery with an e.m.f. E and internal resistance R delivers current to a load RL. Maximum power transferred is
3. E2/4 R
d. The roots of the characteristic equation give
4. E2/2 R
5. Left hand part of the complex frequency plane
6. Right hand part of the complex frequency plane
7. Infinite
8. Zero
| List-I | List-II |
| a. Internal impedance of an ideal current source is | 1. Forced response of the circuit |
| b. For attenuated natural oscillations, the poles of the transfer function must lie on the | 2. Natural response of the circuit |
| c. A battery with an e.m.f. E and internal resistance R delivers current to a load RL. Maximum power transferred is | 3. E2/4 R |
| d. The roots of the characteristic equation give | 4. E2/2 R |
| 5. Left hand part of the complex frequency plane | |
| 6. Right hand part of the complex frequency plane | |
| 7. Infinite | |
| 8. Zero |
Read More Section(Network Theory and Analysis)
Each Section contains maximum 100 MCQs question on Network Theory and Analysis. To get more questions visit other sections.
