12. A common emitter transistor amplifier circuit is operated under a fixed bias. In this circuit, the operating point
13. What should be the values of the components R and R2 such that the frequency of the Wien bridge oscillator is 300 Hz? [Given, C = 0.01 μF and R1 = 12 k$$\Omega $$ ]

14. RAM and ROM are
15. A power amplifier gives 150 W output for an input of 1.5 W. The gain in dB is
16. Let $${I_1}$$ and $${I_2}$$ represents mesh currents in the loop abcda and befcb respectively. The correct expression describing Kirchhoff's voltage loop law in one of the following loops is,

17. In the following circuit Tr1 and Tr2 are identical transistors having VBE = 0.7 V. The current passing through the transister Tr2 is

18. Identify the function F generated by the logic network shown.

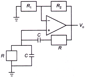
19. 
Assuming an ideal voltage source, Thevenin's resistance and Thevenin's voltage respectively for the above circuit are

Assuming an ideal voltage source, Thevenin's resistance and Thevenin's voltage respectively for the above circuit are
20. The circuit shown below can be used as

