22. In the following circuit, the voltage across and the current through the 2 k$$\Omega $$ resistance are

23. The Boolean expression Y = $$\overline {{\text{ABC}}} $$ D + $$\overline {{\text{AB}}} $$ CD + $$\overline {\text{A}} $$B$$\overline {\text{C}} $$ D + $$\overline {\text{A}} $$BCD reduces to
24. A doped germanium crystal of length 2 cm, breadth 1 cm and width 1 cm, carries a current of 1 mA along its length parallel to +X-axis. A magnetic field of 0.5 T is applied along +Z-axis. Hall voltage of 6 mV is measured with negative polarity at y = 0 plane. The sign and concentration of the majority charge carrier are, respectively [Given, e = 1.6 × 10-19 C]

25. In the given digital logic circuit, A and B form the inputs. The output Y is

26. Figure shows a common emitter amplifier with β = 100. What is the maximum peak-to-peak input signal (Vs) for which distortion-free output may be obtained? [ Assume VBE = 0 and re = 20 $$\Omega $$ ]

27. The following Boolean expression $$Y = A \cdot \overline B \cdot \overline C \cdot \overline D + \overline A \cdot B \cdot \overline C \cdot D + \overline A \cdot \overline B \cdot \overline C \cdot D + \overline A \cdot \overline B \cdot \overline C \cdot D + \overline A \cdot B \cdot C \cdot D + A \cdot \overline B \cdot \overline C \cdot D$$ can be simplified to
28. The inverting input terminal of an operational amplifier (op-amp) is shorted with the output terminal apart from being grounded. A voltage signal V1 is applied to the non-inverting input terminal of the op-amp. Under this configuration, the op-amp function is as
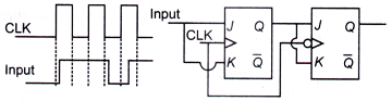
29. In the T-type master-slave J-K flip-flop is shown along with the clock and input waveforms. The Qn output of flip-flop was zero initially. Identify the correct output waveform.

