1. For a full wave rectifier, with sinusoidal input and inductor as filter, ripple factor for maximum load current and minimum load current conditions are respectively
2. If C1 = 200 pF, C2 = 50 pF in Colpitts oscillator and frequency is 1 MHz, then what is the value of inductance required?
3. The circuit shown in the figure is a

4. In the circuit shown in the figure, if RL = RC = 1 kΩ, then the value of V0 will be

5. Consider an n-channel MOSFET with parameters Kn = 0.25 mA/V2, VTN = 1 V, λ = 0, Cgd = 0.04 pF and Cgs = 0.2 pF
If the transistor is biased at VGS = 3 V, the unity gain bandwidth of an FET will be
If the transistor is biased at VGS = 3 V, the unity gain bandwidth of an FET will be
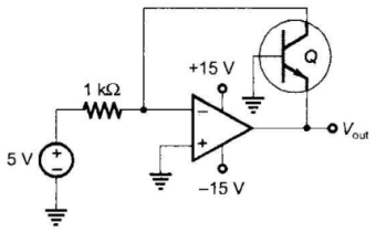
6. In the circuit shown below what is the output voltage (Vout) if a silicon transistor Q and an ideal op-amp are used?

7. Consider a 565 PLL with RT = 10 kΩ and CT = 0.01 µF. what is the output frequency of the VCO?
8. The op-amp circuit shown in the figure is a filter. The type of filter and its cut-off frequency are respectively

9. In differential-mode, . . . . . . . .
10. In a practical oscillator circuit, which one of the following limits the amplitude of the oscillations?
Read More Section(Analog Electronics)
Each Section contains maximum 100 MCQs question on Analog Electronics. To get more questions visit other sections.
