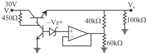
1. In the given circuit, Vbe = 0.7 V, Vz = 5.3 V, β = 100. V0 is

2. A signal of 1 kHz is to be amplified, but the circuit board and wires pick up and store 60 Hz component from a nearby electric line. If this component is 40 dB higher than the desired signal, what filter stop band attenuation is necessary to ensure the signal remains 20 dB above the interferer level?
3. A Wien bridge oscillator is a
4. The voltage gain of a common emitter amplifier is:
5. Decreasing the gain in the op-amp non-inverting amplifier circuit could be achieved by:
6. Thermal runaway in a transistor biased in the active region is due to
1. heating of the transistor.
2. change in β due to increase in temperature.
3. change in reverse collector saturation current due to rise in temperature.
4. base emitter voltage VBE which decreases with rise in temperature.
Which of the above statements is/are correct?
1. heating of the transistor.
2. change in β due to increase in temperature.
3. change in reverse collector saturation current due to rise in temperature.
4. base emitter voltage VBE which decreases with rise in temperature.
Which of the above statements is/are correct?
7. Pulses of definite width can be obtained from irregular shaped pulses:
8. In an Op-Amp Ad = 80dB, CMRR = 40dB, Ac in dB
9. Current gain with feedback Aif = . . . . . . . .
10. An operational amplifier has a slew rate of 100 V/microsecond. For a frequency of 10 MHz, the maximum (peak) value of the sine wave output voltage will be
Read More Section(Analog Electronics)
Each Section contains maximum 100 MCQs question on Analog Electronics. To get more questions visit other sections.
