1. In the following limiter circuit, an input voltage Vi = 10 sin 100 πt is applied. Assume that the diode drop is 0.7 V when it is forward biased. The zener breakdown voltage is 6.8 V

The maximum and minimum values of the output voltage respectively are

The maximum and minimum values of the output voltage respectively are
2. Which power amplifier conducts from 0° to 180°
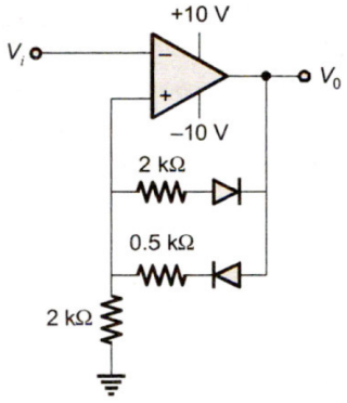
3. For the Schmitt trigger circuit shown in figure, assuming diodes and op-amp are ideal, the value of lower and upper threshold points of voltage transfer characteristics, respectively, are

4. A small signal voltage amplifier in common emitter configuration was working satisfactorily. Suddenly its emitter bypass capacitor (CE) got disconnected. Its:
1. Voltage gain will decrease
2. Voltage gain will increase
3. Bandwidth will decrease
4. Bandwidth will increase
Which of these statements are correct?
1. Voltage gain will decrease
2. Voltage gain will increase
3. Bandwidth will decrease
4. Bandwidth will increase
Which of these statements are correct?
5. A Schmitt trigger circuit achieves hysteresis by utilizing
6. Match the following.
List-I
List-II
a. Hartley
1. Low frequency oscillator
b. Wien-bridge
2. High frequency oscillator
c. Crystal
3. Stable frequency oscillator
| List-I | List-II |
| a. Hartley | 1. Low frequency oscillator |
| b. Wien-bridge | 2. High frequency oscillator |
| c. Crystal | 3. Stable frequency oscillator |
7. Current stability of a CC amplifier can be increased by
8. Three identical amplifiers with each one having a voltage gain of 50, input resistance of 1 kΩ and output resistance of 250 Ω, are cascaded. The open circuit voltage gain of the combined amplifier is
9. In a particular biasing circuit, the value of RE is about . . . . . . . .
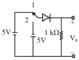
10. In the circuit shown below, the switch was connected to position 1 at t < 0 and at t = 0, it is changed to position 2. Assume that the diode has zero voltage drop and a storage time ts. For 0 < t ≤ ts.VRs given by (all in Volts)

Read More Section(Analog Electronics)
Each Section contains maximum 100 MCQs question on Analog Electronics. To get more questions visit other sections.
