91. The data sheet for a certain JFET ( Junction Field Effect Transistor) indicates that IDSS (drain to source current with gate shorted) = 15 mA and VGS(off) (Cut-off value of gate to source voltage) = -5V. What is the drain current for VGS = -2V?
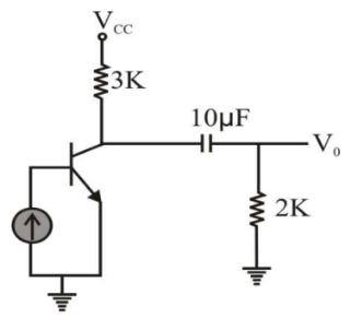
92. The lower cut-off frequency of the transistor stage in the adjoining figure is

93. The circuit given in the figure is a

94. A monostable multivibrator is frequently used:
95. The phase shift oscillator requires
96. The Class-B push-pull amplifier is an efficient two-transistor circuit, in which the two transistors operate in the following way:
97. The common-mode voltage gain is . . . . . . . .
98. Introducing a resistor in the emitter of a common emitter amplifier stabilizes the dc operating point against variation in
99. gm of MOSFET is controlled by
100. A 741 OP-AMP has an open loop gain 200,000. The output offset voltage is 2 mV. If the input terminals are shorted, the output voltage is
Read More Section(Analog Electronics)
Each Section contains maximum 100 MCQs question on Analog Electronics. To get more questions visit other sections.
