61. The cut-in voltage Vγ and thermal voltage VT for the diode D in figure shown below are 0.498 V and 2 mV, respectively.
If the value of resistor R is 20 Ω, the current flowing through the diode is:
If the value of resistor R is 20 Ω, the current flowing through the diode is:

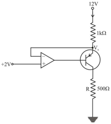
62. The current through the resistor R in the below

63. What will be the average value of V(t) in the circuit given below
64. Match List-I (Application of the circuit) with List-II (Circuit Name) and select the correct answer using the options given below the lists:
List-I (Application of the circuit)
List-II (Circuit Name)
a. Divider
1. Astable multivibrator
b. Clips input voltage at two predetermined Levels
2. Schmitt trigger
c. Square wave generator
3. Bistable multivibrator
d. Narrow current pulse generator
4. Blocking oscillator
| List-I (Application of the circuit) | List-II (Circuit Name) |
| a. Divider | 1. Astable multivibrator |
| b. Clips input voltage at two predetermined Levels | 2. Schmitt trigger |
| c. Square wave generator | 3. Bistable multivibrator |
| d. Narrow current pulse generator | 4. Blocking oscillator |
65. Roll-off factor is defined as
66. Match List-I (Models of BJT) with List-II (Applications) and select the correct answer using the options given below the lists:
List-I (Models of BJT)
List-II (Applications)
a. Hybrid model
1. Microwave measurements
b. Hybrid pi-model
2. Coupled diode
c. S-parameter
3. Low frequency
d. Ebers-Moll model
4. High frequency
| List-I (Models of BJT) | List-II (Applications) |
| a. Hybrid model | 1. Microwave measurements |
| b. Hybrid pi-model | 2. Coupled diode |
| c. S-parameter | 3. Low frequency |
| d. Ebers-Moll model | 4. High frequency |
67. Thermal runaway will take place if the quiescent point is such that
68. The relation between β and α is . . . . . . . .
69. A transistor has hfe = 50, its hfc will be
70. Which of the following statements is not true?
Read More Section(Analog Electronics)
Each Section contains maximum 100 MCQs question on Analog Electronics. To get more questions visit other sections.
