31. For an Op-Amp phase shift oscillation, the frequency of oscillations is
32. An astable multivibrator has . . . . . . . .
33. For a voltage follower circuit using an op-amp, which of the following is true?
34. In half wave rectifier, if Vi to the diode is 20 sin (ωt), Vdc is
35. What is the value of Rs required to self bias N-channel JFET with Vp = -10 V, IDSS = 40 mA and VGSQ = -5 V?
36. An amplifier has an input power of 2 microwatts. The power gain of the amplifier is 60 dB. The output power will be
37. The drain gate capacitance of a junction FET is 2 pF. Assuming a common source voltage gain of 20. What is the input capacitance due to Miller effect?
38. The ripple frequency in a full-wave rectifier is
39. In JFET, dynamic drain resistance rd is of the order of
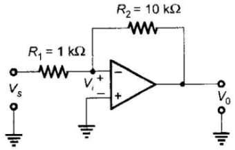
40. The inverting op-amp shown in the figure has an open-loop gain of 100. The closed-loop gain $$\frac{{{{\text{V}}_0}}}{{{{\text{V}}_{\text{s}}}}}$$ is

Read More Section(Analog Electronics)
Each Section contains maximum 100 MCQs question on Analog Electronics. To get more questions visit other sections.
