61. In a Wien bridge oscillator, the positive feedback attenuation is
62. Which one of the following multivibrators does not required input clock pulse or trigger?
63. The MOSFET switch in its on-state may be considered equivalent to:
64. The Zener diode in the regulator circuit shown in the figure has a Zener voltage of 5.8 volts and a Zener knee current of 0.5 mA. The maximum load current drawn from this circuit ensuring proper functioning over the input voltage range between 20 and 30 volts, is

65. A power transfer used in class A amplifier has zero signal power dissipation of 10 Watts. If the AC power is 4 W. Calculate collector efficiency.
66. With reference to the negative feedback voltage - series configuration, which of the following statements is/are correct?
1. Bandwidth increases.
2. Non-linear distortion decreases.
Select correct answer.
1. Bandwidth increases.
2. Non-linear distortion decreases.
Select correct answer.
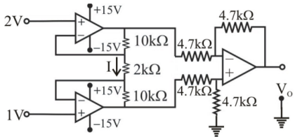
67. What is the output voltage V0 of the above circuit?

68. In figure T1, T2 and T3 are p-channel MOS transistors, and T4, T5 and T6 are n-channel MOS transistors. A, B and C are binary signals. The output f(A, B, C) is

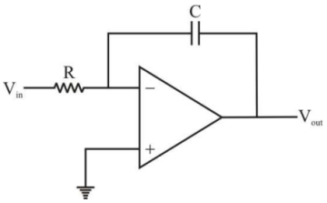
69. OPAMP circuit given below is a . . . . . . . .

70. For a class-A power amplifier, supply dc voltage is ± 12 V, the quiescent collector current is 72 mA and the load resistance is 100 Ω. If the output voltage across the load is 12 V peak-to-peak, the efficiency of the amplifier is (neglect the loss occurring in the biasing resistors):
Read More Section(Analog Electronics)
Each Section contains maximum 100 MCQs question on Analog Electronics. To get more questions visit other sections.
