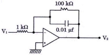
71. The low frequency gain of LPF shown is

72. The bandwidth of a double tuned transformer coupled amplifier can be adjusted by varying the
73. The amplifier circuit shown below uses a silicon transistor. The capacitors CC and CE can be assumed to be short at signal frequency and the effect of output resistance r0 can be ignored. If CE is disconnected from the circuit, which one of the following statements is TRUE?

74. The current gain of bipolar transistor drops at high frequency because of
75. Most of the linear ICs are bases on two transistor differential amplifiers because of
76. An amplifier has an open loop gain of 1000±10. Negative feedback is provided such that the gain variation remains within 0.1%. What is the amount of feedback βF?
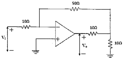
77. For the circuit given below, the voltage V0 across the op-amp output is:

78. In phase-shift oscillator, a single RC network introduces a phase change of
79. The feedback factor β for a voltage shunt feedback amplifier is given by
80. Which of the following principles is applied while designing the output matching network for a high power Class-C amplifier?
Read More Section(Analog Electronics)
Each Section contains maximum 100 MCQs question on Analog Electronics. To get more questions visit other sections.