71. The r.m.s. value of half wave rectified current is 50A. Its r.m.s. value for full wave rectification would be
72. How many stages are involved in bipolar op-amp?
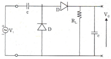
73. Consider the above circuit, for Vi = Vm sinωt, the output voltage V0 for RL → ∞ will be:

74. In the base biased transistor circuit, the junction temperature may vary from 25°C to 75°C. If β increase from 100 to 150 with raising temperature, percentage change in VCE point will be

75. The range of frequency generated by VHF oscillator is-
76. An npn BJT has gm = 38 mA/V, Cµ = 10-14 F, Cπ = 4 × 10-13 F, and DC current gain β0 = 90. For this transistor fT and fβ are
77. In the figure, assume that the forward voltage drops of the PN diode D1 and Schottky diode D2 are 0.7 V and 0.3 V, respectively. If ON denotes conducting state of the diode and OFF denotes non-conducting state of the diode, then in the circuit,

78. The large signal bandwidth of an op-amp is limited by
79. In a transistor circuit IB remains constant but β increases
80. Biasing is used in transistor amplifiers to
1. Stabilize the operating point against temperature variations.
2. Place the operating point in the linear region of the characteristics.
3. Make α, β and ICO of the transistor independent of temperature variations.
4. Reduce distortion and increases dynamic range.
1. Stabilize the operating point against temperature variations.
2. Place the operating point in the linear region of the characteristics.
3. Make α, β and ICO of the transistor independent of temperature variations.
4. Reduce distortion and increases dynamic range.
Read More Section(Analog Electronics)
Each Section contains maximum 100 MCQs question on Analog Electronics. To get more questions visit other sections.
