51. For a bipolar junction transistor, if the current amplification factor and cut-off frequency in the CB mode are αCB and fαCB respectively, then the cut-off frequency in the CE mode is equal to
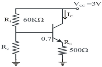
52. In the circuit shown below, the silicon npn transistor Q has a very high value of β. The required value of R2 (in kΩ) to produce Ic = 1 mA is

53. The given circuit represents the amplifier type as:

54. Consider the common-collector amplifier in the figure (bias circuitry ensures that the transistor operates in forward active region, but has been omitted for simplicity). Let IC be the collector current, VBE be the base-emitter voltage and VT be the thermal voltage. Also, gm and ro are the small-signal trans-conductance and output resistance of the transistor, respectively. Which one of the following conditions ensures a nearly constant small signal voltage gain for a wide range of values of RE?
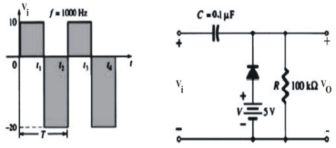
55. Find VO for the given circuit. (Assume ideal diode)

56. Which of the stages listed below would drive the loudspeaker, in a class D amplifier?
57. In a digital frequency meter, the Schmitt trigger is used for
58. Leakage current approximately doubles for every 10°C increase in temperature of a silicon transistor. If a silicon transistor has ICBO = 1000 nA at 30°C, what is its leakage current at 90°C?
59. In an RC differentiator, the condition for differentiation is
60. A circuit is shown in the given figure. The largest value of RL that can be used is

Read More Section(Analog Electronics)
Each Section contains maximum 100 MCQs question on Analog Electronics. To get more questions visit other sections.
